产品中心
新闻资讯
- 诚挚邀请您出席《粤港澳物理学会2025联合年会暨量子科技论坛》
- 诚挚邀请您出席《全国光学与光学工程 2025博土笔学术联赛》
- 诚挚邀请您出席《2024年广东省物理学会学术年会暨中山大学物理学科百年论坛》
- 诚挚邀请您出席《2023粤港澳大湾区智能微纳光电技术学术会议》
联系我们
联系人: 周先生
手机: 13288666664
电话: 020-38880135 020-38880857
邮箱: sales01#gzyuli.com
地址: 广州市天河区儒林大街后园路35号E座107房
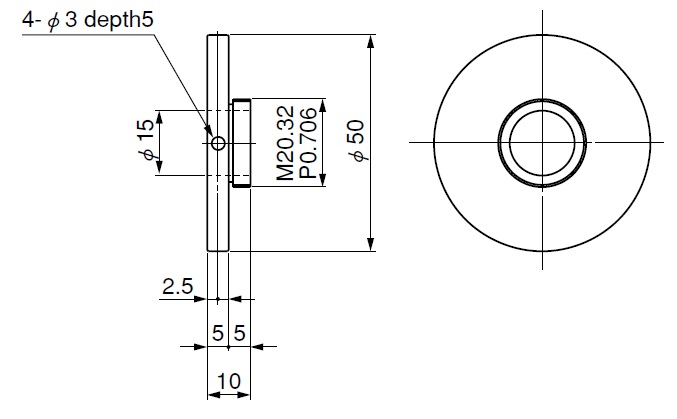
西格玛光机物镜镜架适配器
品牌:西格玛光机
产地:日本
产品简介:在5轴可调镜架(ALHN-5RO)或φ50mm用各种镜架上固定物镜时的适配器。
组合LHO-20.32-N或LHO-20.32A-N、可固定M20.32螺纹的各种物镜。
5轴可调镜架(ALHN-5RO),可以实现焦平面内的调芯,调焦,和2轴倾斜调整


客服1