产品中心
新闻资讯
- 诚挚邀请您出席《粤港澳物理学会2025联合年会暨量子科技论坛》
- 诚挚邀请您出席《全国光学与光学工程 2025博土笔学术联赛》
- 诚挚邀请您出席《2024年广东省物理学会学术年会暨中山大学物理学科百年论坛》
- 诚挚邀请您出席《2023粤港澳大湾区智能微纳光电技术学术会议》
联系我们
联系人: 周先生
手机: 13288666664
电话: 020-38880135 020-38880857
邮箱: sales01#gzyuli.com
地址: 广州市天河区儒林大街后园路35号E座107房
2维可调镜架
品牌:西格玛光机
产地:日本
产品简介:
2维可调镜架有2个类型:高稳定型镜架MHG-HS和量产型镜架MHG-MP,有2个类型:高稳定型镜架MHG-HS和量产型镜架MHG-MP。为了减少固定镜片时带给镜面的应力影响,采用了3点侧面固定方式。
2维可调镜架
2维可调镜架有2个类型:高稳定型镜架MHG-HS和量产型镜架MHG-MP,有2个类型:高稳定型镜架MHG-HS和量产型镜架MHG-MP。为了减少固定镜片时带给镜面的应力影响,采用了3点侧面固定方式。
注意:
★量产型(MHG-MP)的转动中心在镜面的外侧(镜架支点)。
★希望把高安定型(MHG-HS)固定到某平面上时,请使用固定板(MHG-**BPRO)
★使用了固定板(MHG-**BPRO)后,其光轴将增高10mm。由于利用镜面的反面定位,所以,不同厚度的镜片,其反射面不在同一个位置。
通用指标:
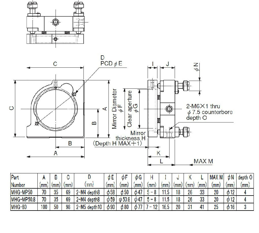
主要材料 | 铝合金(但MHG-MP12.7为黄铜) |
表面处理 | 黑色氧化(但MHG-MP12.7为黑铬) |
技术比较:


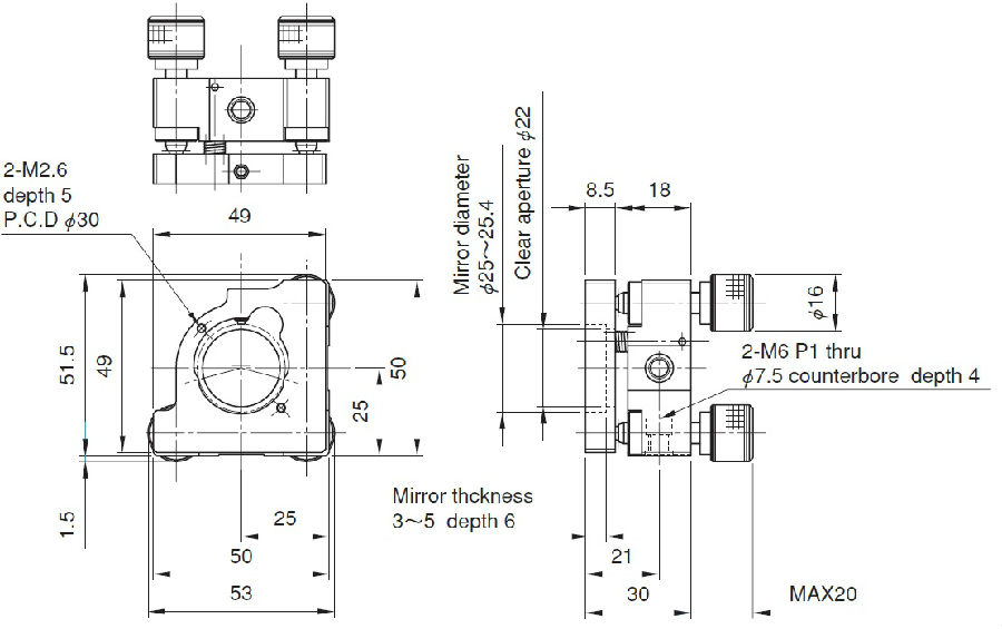
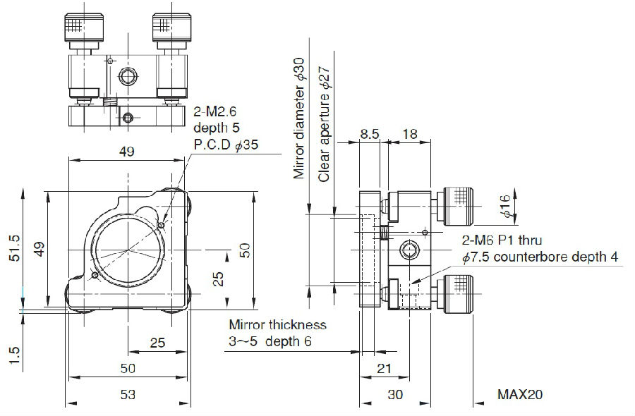
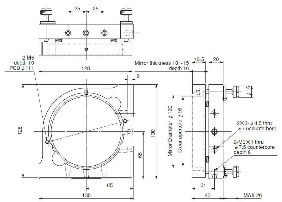
产品外形图:
MHG-MP12.7

MHG-MP25/MP30

MHG-HS25

MHG-HS30

MHG-MP50/MP50.8/80

MHG-100

其他信息:
2维可调镜架是日本西格玛光机的产品,是由2枚金属板组成的结构非常简单的,除MHG-HS型号外、调节钮都有锁定机构的。
我司是日本西格玛光机的一级代理商,除了镜架,还有显微物镜、光学元件、位移台等都是日本西格玛光机的产品,质量放心,价格实惠,有需要的客户,赶快联系我们吧!
- 上一个:C型不锈钢镜架
- 下一个:NOMI LOCKTM2维可调镜架
客服1