产品中心
新闻资讯
- 诚挚邀请您出席《粤港澳物理学会2025联合年会暨量子科技论坛》
- 诚挚邀请您出席《全国光学与光学工程 2025博土笔学术联赛》
- 诚挚邀请您出席《2024年广东省物理学会学术年会暨中山大学物理学科百年论坛》
- 诚挚邀请您出席《2023粤港澳大湾区智能微纳光电技术学术会议》
联系我们
联系人: 周先生
手机: 13288666664
电话: 020-38880135 020-38880857
邮箱: sales01#gzyuli.com
地址: 广州市天河区儒林大街后园路35号E座107房
叶片式自动快门支架
品牌:西格玛光机
产地:日本
产品简介:
金九银十,西格玛光机中国代理商广州誉立电子科技有限公司推出一款新产品叶片式自动快门支架(SSH-RA),可遥控光束开闭、或控制通光时间的机械式电磁快门。
金九银十,西格玛光机中国代理商广州誉立电子科技有限公司推出一款新产品叶片式自动快门支架(SSH-RA),可遥控光束开闭、或控制通光时间的机械式电磁快门。
需要配合专用的控制器和电缆,才能正常工作。
可用立柱固定,也可直接安装到笼式系统中使用。
外形小,省空间,开闭速度比老型号更快。
使用快门控制器(SSH-C2B),可连接外部触发信号,或通过计算机程序控制。
信息:
1、请和控制器SSH-C2B配合使用。W4105
2、电缆请选用以下型号。
SSH-CA2-LORA(长度:2m)、SSH-CA2-LOAB(延长用,长度:2m)
通用指标:
动作温度 | 5~40℃ |
保管温度 | -20~60℃ |
周围湿度 | 20~80%RH(无结露) |
技术指标:
型号 | 开口直径 | 适用尺寸 | 开启速度(低速/高速) | 关闭速度(低速/高速) | 控制器设定(低速/高速) | 寿命值 参考值(低速/高速) | 自重 |
C16-SSH-06RA | 6mm | C16 | 1.1ms/ 0.6ms | 1.3ms/ 0.7ms | SSH06-L/ SSH06-H | 100万次 /10万次 | 0.04㎏ |
C30-SSH-06RA | 6mm | C30 | 1.1ms/ 0.6ms | 1.3ms/ 0.7ms | SSH06-L/ SSH06-H | 100万次 /10万次 | 0.062㎏ |
C30-SSH-17RA | 17mm | C30 | 6ms/ 3ms | 6ms/ 4ms | SSH17-L/ SSH17-H | 100万次 /10万次 | 0.09㎏ |
C60-SSH-25RA | 25.5mm | C60 | 7ms/ 3ms | 7ms/ 4ms | SSH25-L/ SSH25-H | 100万次 /10万次 | 0.208㎏ |
注意:
1、此系列高速自动快门,不适用于高功率激光,或单脉冲能量很高的激光。用于大功率激光束时,请选用高功率快门(SHPS系列)。W4110
2、不能选用控制器SSH-CRA。
3、开闭速度是典型值,是指通光面积从开口径的10%到90%的切换时间,也不是保证值。
4、寿命仅是参考值,不是保证值。
5、Ver1.00,003以前的2轴快门控制器SSH-C2B,请您参照这里设定。
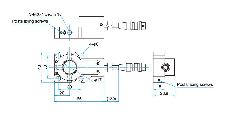
外形图:
■C16-SSH-06RA

■C30-SSH-06RA

■C30-SSH-17RA

■C60-SSH-25RA

- 上一个:叶片式自动光阑
- 下一个:小型自动转动偏光镜镜架
客服1